锂电池二次保护
锂电池热失控
电动工具
新能源
光伏发电系统
风力发电(兆瓦级)
储能电池、电源输入
储能系统短路
EV电动车
EV充电桩
轻型电动车
家用电器
小家电
大家电
家电配件
厨房电器(电烤盘..)
空气炸锅
咖啡机
电熨斗
智能坐便器
个人数字产品
生活(美健)电器
办公器材
对讲机
医疗分析仪器
医疗辅助设施
医疗仪器
照明
照明-室内
户外路灯
电源
电源(功率小于20瓦)
数据中心高压直流(HVDC)
电源供应单元(PSU)
电池备份单元(BBU)
不间断电源(UPS)
通信
汽车
插座
防雷插座
安防
无人机(系留)
工业机器人
人形机器人
服务机器人
特种机器人
农业浇灌设备
农业智慧大棚
轨道交通设施
轨道车辆
轨道电源
燃油加油机
交通控制系统
交通信号灯
商用洗净设备
快递柜(无人机)
自动售货机
防雷元器件EV(电动车)电路安全保护赛尔特(SETsafe | SETfuse)解决方案与产品
本文主要介绍带电动车电路安全保护,涉及:
| 动力电池组---主动保护
| 热管理系统---过温度保护
| 电池管理系统(BMS)---过电压保护
| 启停电池---主动保护
概述
电动车(EV,全称Electric Vehicle)是指由一个或多个电动机驱动,使用可充电电池或其他储能装置提供动力的交通工具。电动车包括纯电动车(BEV)、插电式混合动力车(PHEV)和燃料电池车(FCEV),涵盖电动自行车、电动汽车、电动卡车等类型。电动车以低排放、节能环保和可持续性为特点,广泛应用于个人出行、物流运输及公共交通等领域。
市场规模,根据市场预测,2025年全球电动车市场规模预计达到约4700亿美元(约3.25万亿元人民币),销量有望突破2100万辆,其中中国市场贡献约60%的销量,新能源车渗透率达23.2%。到2030年,全球电动车市场规模预计超过1万亿美元(约6.9万亿元人民币),销量有望达到7000万辆,新能源车渗透率接近60%,中国市场仍将占据主导地位,轻型电动车及电池管理系统(BMS)市场预计分别突破1000亿美元和400亿美元(数据来源于网络,仅供参考)。
为什么电动车电池及电池热管理系统电路需要安全保护
主要是为了应对以下风险,确保电池的安全性、可靠性和用户安全:
热失控风险
电池在过充、过放、高温或短路等异常情况下可能引发热失控,导致电池起火或爆炸。热管理系统通过监控和调节温度,防止热量积聚,确保电池在安全温度范围内运行。
过充/过放损坏
过充可能导致电解液分解、电池结构破坏或电极材料失效;过放则可能造成容量永久损失或电池失效。BMS通过电压和电流管理,防止这些问题,延长电池寿命。
外部冲击与振动
电动车在行驶中可能遭受碰撞或振动,易引发电池内部短路或漏电。安全保护机制(如机械防护和电路隔离)可降低这些风险。
电池性能与寿命
安全保护通过电芯均衡、温度控制和电流管理优化电池性能,延长使用寿命,提高充电效率和续航能力。
用户安全
电池故障可能导致火灾、爆炸或电击,危及用户生命财产安全。安全保护机制通过实时监控和快速响应(如断路保护)最大程度降低事故风险。
热管理系统的必要性
热管理系统通过传感器、热敏电阻和控制电路监测电池温度,结合冷却或加热装置(如液冷、风冷)调节热量分布,避免高温引发热失控或低温导致性能下降,确保电池在不同环境下的稳定性。
认证标准
中国国家标准(强制性)
GB 38031-2025
适用于电动车动力电池,要求电池不起火、不爆炸。
新增测试:底部撞击、快充循环后安全测试,修订热扩散测试。
强调热管理系统的可靠性,防止热失控扩散。
GB/T 31467.3-2015
针对锂离子电池,涵盖过温、过压、过流和短路测试。
要求BMS具备实时监控和保护功能。
GB 17761-2018
规定电动自行车电池的电气安全、过充保护及热管理要求。
确保电池在异常工况下的安全性。
GB/T 36972-2018
明确电池的过温、过压、过流保护及循环寿命要求。
要求热管理系统有效控制温度波动。
国际标准(部分强制,视市场要求)
IEC 62133
便携式设备二次电池安全标准,适用于锂电池。
测试内容包括过充、过放、短路及热滥用,确保热管理系统的有效性。
UN 38.3
锂电池运输安全标准(强制性,国际运输要求)。
测试包括振动、冲击、过充、过温,确保电池和热管理系统在运输中的安全性。
ISO 26262
汽车功能安全标准,适用于电动车BMS。
要求热管理及过温、过压保护达到特定安全等级(如ASIL C),确保系统可靠性。
UL 2271
轻型电动车电池安全标准,涵盖电气、机械和环境测试。
要求热管理系统在极端条件下(如高温、低温)保持稳定。
EN 15194
欧洲电动自行车标准(强制性,欧盟市场)。
要求BMS具备过温、过压和短路保护功能,确保热管理系统的安全性。
电动车电池及其热管理系统的安全保护至关重要,旨在防止热失控、过充/过放、外部冲击等风险,保障性能、寿命和用户安全。这些保护机制通常通过BMS智能化管理和硬件(如熔断器、TVS二极管、热敏电阻)协同实现。国内外强制认证标准(如GB 38031-2025、IEC 62133、UN 38.3等)对电池及热管理系统的设计、测试和性能提出严格要求,确保其在各种工况下的安全性和合规性。
赛尔特(SETsafe | SETfuse)解决方案、产品
EV电动车三电原理图

动力电池组主动保护
保护类型:动力电池组---主动保护
产品名称:烟火切断器 (PCO)
系列:
PHW 进一步了解
PWX 进一步了解
热管理系统过温度保护
保护类型:热管理系统---过温度保护
产品名称:直流温度保险丝 (DC-ATCO)
系列:
RSKxxxA 进一步了解
ARL 进一步了解
RQF 进一步了解
TGxxxC 进一步了解
电池管理系统(BMS)过电压保护
保护类型:电池管理系统(BMS)---过电压保护
产品名称:
瞬态电压抑制二极管 (TVS)-车规等级
系列:
SMD Type:ASMA 进一步了解
SMD Type:ASMB 进一步了解
SMD Type:ASMC 进一步了解
SMD Type:SM8SxxA 进一步了解
SMD Type:SM8TxxA 进一步了解
产品名称:
瞬静电阻抗器 (ESD TVS)
系列:
SMD Type: GSM24CCAN 进一步了解
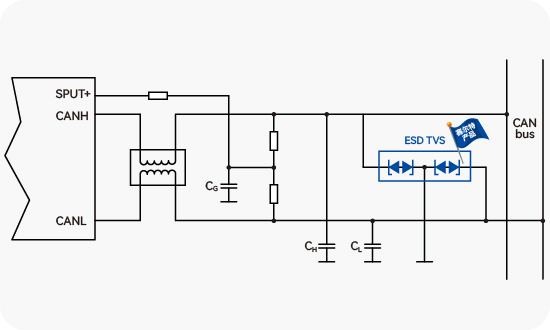
BMS主控板电源端口过电压保护示例
BMS信号端口的ESD防护示例

BMS采集单元(AFE)电源端口过电压防护示例

启停电池主动保护
保护类型:启停电池---主动保护
产品名称:
受控熔断器 (iTCO)
系列:
THUxxx-R 进一步了解

产品名称:
烟火切断器 (PCO)
系列:
PHW 进一步了解
PWX 进一步了解

电动车(EV)电路安全保护常用的电路保护元器件(仅供参考)。
| 熔断器(Fuse)
| MOSFET(金属氧化物半导体场效应晶体管)
| 热敏电阻(NTC/PTC)
| 继电器(Relay)
| 陶瓷放电管(Gas Discharge Tube, GDT)
| 压敏电阻(Varistor)
携手赛尔特(SETsafe | SETfuse),化技术挑战为可靠方案。
当您在电路保护元器件选型或系统方案设计中面临技术挑战,赛尔特(SETsafe | SETfuse)专业工程师团队始终是您可靠的技术伙伴。赛尔特(SETsafe | SETfuse)专注于过温度、过电压、过电流与主动保护领域,具备全面的技术支援能力,可迅速响应您的需求。无论是需要精准的产品参数指导,还是希望构建系统级保护方案,赛尔特(SETsafe | SETfuse)均能提供专业、务实且高效的建议与支持。
从前期设计咨询、中期方案实施到后期产品保障,我们全程协同,为您提供一站式服务,确保项目高效推进与安心落地。如您有任何需求或疑问,敬请邮件联系:sales@SETfuse.com
专业电路保护,为您提供从概念到量产的全周期支持。