过温度保护 (OTP) (83)
温度保险丝 (ATCO)
合金型 (Alloy Type) / 一次性动作 / Tf: (76 ~ 230) °C / Ir: (1 ~ 200) A / Ur: (125 ~ 800) VAC, (50 ~ 200) VDC / 40个系列
温度保险丝 (ATCO)
温度保险丝-合金型 Thermal-Link (ATCO) - Alloy Type是一种利用低熔点的易熔合金作为感温材料且一次性动作而不可复位的温度敏感元件。在正常工作情况下,易熔合金串接于两电极引脚之间, 当ATCO感受到异常发热并达到设定的熔断温度时,易熔合金熔化,并在助熔断剂的作用下快速收缩至引脚两端,从而断开电路。ATCO主要由易熔合金、助熔断剂、外壳、封口树脂、引线组成。ATCO产品广泛应用于电气设备的过温度保护。赛尔特公司 (SETsafe | SETfuse) 的ATCO产品结构分为轴向型,径向型;额定动作温度:(76 ~ 230) °C;额定电流:(1 ~ 200) A;额定电压:(250 ~ 800)VAC;安规认证包括:UL、cUL、TUV、VDE、PSE、KC、CCC ,符合RoHS & REACH。
直流温度保险丝 (DC-ATCO)
合金型 (Alloy Type) / 一次性动作 / Tf: (76 ~ 230) °C / Ir: (1 ~ 200) A / Ur: (48 ~ 850) VDC / 34个系列
直流温度保险丝 (DC-ATCO)
直流温度保险丝-合金型Direct Current Thermal-Link Alloy Type(DC-ATCO)是一种利用低熔点合金(即热元件)受热达到设定熔断温度时熔断的特性来控制熔断电路的温度保险丝。直流温度保险丝-合金型(DC-ATCO)主要由电极片、外壳、低熔点合金(即热元件)、助熔断剂、熔丝、填充料和封口树脂组成。 直流温度保险丝-合金型(DC-ATCO)广泛应用于电气设备及电动汽车的过温保护。在正常工作情况下,低熔点合金(即热元件)串接于两电极引脚之间,当直流温度保险丝-合金型(DC-ATCO)感受到异常发热并达到设定的熔断温度时,低熔点合金(即热元件)熔化,并在助熔断剂的作用下快速收缩至引脚两端,从而断开电路。 赛尔特公司(SETsafe | SETfuse)的直流温度保险丝-合金型(DC-ATCO)分为轴向型和径向型两种结构,额定动作温度:(76 ~ 230)°C、额定电流:(1 ~ 200)A,额定电压:(24 ~ 850)VDC,安规认证包括:UL、cUL、CCC、CB,符合RoHS、REACH要求。
温度保险丝 (OTCO)
有机物型 (Organic-Type) / 一次性动作 / Tf: (72 ~ 263) °C / Ir: (10、15、16、20、25、30) A / Ur: 250 VAC / Ir: (15、16) A / Ur: 125 / 250 VAC / 8个系列
温度保险丝 (OTCO)
温度保险丝-有机物型 Thermal-Link (OTCO)-Organic Type 是一种以有机化合物作为感温材料且一次性动作而不可复位的温度敏感元件。在正常工作情况下,触点线与可动电极保持接触,电路处于导通状态, 当OTCO感受到异常发热并达到设定的熔断温度时,有机物型感温体熔化,可动电极在直簧的作用下与触点线脱离,从而断开电路。OTCO主要由金属外壳、弹簧、可动电极和感温体等组成。 OTCO产品广泛应用于电气设备的过温度保护。 赛尔特公司 (SETsafe | SETfuse) 的OTCO产品规格:额定动作温度从72 ℃到263 ℃;额定电流:10 A,15/16 A;安规认证包括:UL,cUL,VDE,CCC,KC,PSE,符合 RoHS 和 REACH 。
常开转常闭温度转换器 (TTO)
有机物型 (Organic-Type) / 一次性动作 / Tf: (73 ~ 217) °C / Ir: 1 A / Ur: 250 VAC / 1个系列
常开转常闭温度转换器 (TTO)
赛尔特公司(SETsafe | SETfuse )的有机物型常开转常闭温度转换器(TTO) 是一次性动作不可复位的装置。它主要由金属外壳、弹簧和感温体等组成。在正常情况下,固态的感温体热敏颗粒使触点线与圆片保持分离,电路处于断路状态。当感温体热敏颗粒感受到异常发热并达到预定的温度时,感温体熔化,圆片在弹簧的作用下与触点线接触,从而电路被接通。 赛尔特公司(SETsafe | SETfuse)有机物型常开转常闭温度转换器(TTO)R系列额定动作温度从73 ℃到217℃,额定电流/电压:1 A/250 VAC,符合 RoHS 和 REACH 环保法规。
过电压保护 (OVP) (243)
瞬态电压抑制二极管 (TVS)
标准型 / 车规等级 / 50个系列
瞬态电压抑制二极管 (TVS)
TVS二极管用于保护敏感电路免受高压瞬变的影响。它们的p-n结比普通二极管有更大的截面积,这使得它们可以在不损坏的情况下将大电流传导到地。 赛尔特 ( SETsafe | SETfuse ) 提供峰值功率从200 W到30 kW的TVS二极管,反向电压从5.0 V到512 V。
热保护型瞬态抑制二极管 (TTVS)
贴片型 (SMD) / 插件型 / 2个系列
热保护型瞬态抑制二极管 (TTVS)
热保护型瞬态抑制二极管Thermal Protected Transient Suppression Diode (TTVS)是瞬态抑制二极管(TVS)与热保护脱扣装置的组合。当TVS所承受的瞬态能量远远超出其承受范围时,TVS因过电应力烧毁劣化;或TVS因长时间工作后,其内部结构发生变化,电性能退化,散热能力下降,结温持续增大,最终TVS因过热烧毁。当发生上诉情况时,TTVS通过内部的热保护脱离部件的动作将TVS从主回路中脱离。 热保护型瞬态抑制二极管(TTVS)广泛应用于新能源设备、通信设备的过电压保护。对异常电压的吸收,雷击浪涌的吸收等发挥着很大的作用。 赛尔特公司(SETsafe | SETfuse)的热保护型瞬态抑制二极管TTVS主要由瞬态抑制二极管(TVS)、灌封材料、阻燃壳体及金属构件(热保护脱扣装置、引脚)组成。标称放电电流:15kA;最大连续工作电压:(58 ~ 76)VDC;安规认证:TUV;符合RoHS、REACH要求。
静电阻抗器 (ESD TVS)
贴片型 (SMD) / 42个系列
电涌抑制晶闸管 (TSS)
贴片型 (SMD) / 9个系列
气体放电管 (GDT)
贴片型 (SMD) / 插件型 (DIP) / 高通流型 / 36个系列
气体放电管 (GDT)
气体放电管 Gas Discharge Tube(GDT)是一种单间隙或多间隙的开关型过电压保护器件。在正常情况下,GDT是处于高阻状态;当受到浪涌冲击时,GDT将从高阻抗状态变为低阻抗状态,并将浪涌能量释放到大地,降低电路残压,进而保护设备电路或人身免受瞬态过电压的危害。GDT是在金属电极、金属化陶瓷、惰性气体或与其它混合气体经过高温封接而成。 气体放电管(GDT)被广泛应用在信号、电源及各类端口的过压防护。 赛尔特公司(SETsafe | SETfuse)的气体放电管产品电压70 ~ 4500 V;通流(@8/20 μs)0.5 ~ 200 kA;安规认证包括:UL、cUL、TUV;满足RoHS、REACH。

GDT - 贴片型GDT
SMD GDT / 16个系列
GDT - 贴片型GDT
气体放电管 Gas Discharge Tube(GDT)是一种单间隙或多间隙的开关型过电压保护器件。在正常情况下,GDT是处于高阻状态;当受到浪涌冲击时,GDT将从高阻抗状态变为低阻抗状态,并将浪涌能量释放到大地,降低电路残压,进而保护设备电路或人身免受瞬态过电压的危害。GDT是在金属电极、金属化陶瓷、惰性气体或与其它混合气体经过高温封接而成。 气体放电管(GDT)被广泛应用在信号、电源及各类端口的过压防护。 赛尔特公司(SETsafe | SETfuse)的气体放电管产品电压70 ~ 4500 V;通流(@8/20 μs)0.5 ~ 200 kA;安规认证包括:UL、cUL、TUV;满足RoHS、REACH。

GDT - 插件型GDT
轴向插件型 / 径向插件型 / 6个系列
GDT - 插件型GDT
气体放电管 Gas Discharge Tube(GDT)是一种单间隙或多间隙的开关型过电压保护器件。在正常情况下,GDT是处于高阻状态;当受到浪涌冲击时,GDT将从高阻抗状态变为低阻抗状态,并将浪涌能量释放到大地,降低电路残压,进而保护设备电路或人身免受瞬态过电压的危害。GDT是在金属电极、金属化陶瓷、惰性气体或与其它混合气体经过高温封接而成。 气体放电管(GDT)被广泛应用在信号、电源及各类端口的过压防护。 赛尔特公司(SETsafe | SETfuse)的气体放电管产品电压70 ~ 4500 V;通流(@8/20 μs)0.5 ~ 200 kA;安规认证包括:UL、cUL、TUV;满足RoHS、REACH。

GDT - 高通流型GDT
贴片型 (SMD) / 通孔型 / 14个系列
GDT - 高通流型GDT
气体放电管 Gas Discharge Tube(GDT)是一种单间隙或多间隙的开关型过电压保护器件。在正常情况下,GDT是处于高阻状态;当受到浪涌冲击时,GDT将从高阻抗状态变为低阻抗状态,并将浪涌能量释放到大地,降低电路残压,进而保护设备电路或人身免受瞬态过电压的危害。GDT是在金属电极、金属化陶瓷、惰性气体或与其它混合气体经过高温封接而成。 气体放电管(GDT)被广泛应用在信号、电源及各类端口的过压防护。 赛尔特公司(SETsafe | SETfuse)的气体放电管产品电压70 ~ 4500 V;通流(@8/20 μs)0.5 ~ 200 kA;安规认证包括:UL、cUL、TUV;满足RoHS、REACH。
热保护型气体放电管 (TGDT)
1个系列
热保护型气体放电管 (TGDT)
热保护型气体放电管Thermally Protected Gas Discharge Tube(TGDT)是气体放电管(GDT)与热保护脱扣部件的组合。当GDT在一定次数的导通放电后,内部的绝缘性能下降,遮断续流的能力持续减弱,最终导致GDT短路失效。TGDT能够在GDT劣化或短路失效时,通过热保护部件的动作将GDT从主回路中脱离。 热保护型气体放电管Thermally Protected Gas Discharge Tube(TGDT)广泛应用于新能源设备、通信设备的过电压保护。对异常电压的吸收,雷击浪涌的吸收等发挥着很大的作用。 赛尔特公司(SETsafe | SETfuse)的热保护型气体放电管TGDT主要由气体放电管管(GDT)、灌封材料、阻燃壳体及金属构件(热保护脱扣装置、引脚)组成。标称放电电流:30 ~ 40 kA;最大连续工作电压:255 VAC;安规认证:TUV、CE;符合RoHS、REACH要求。
压敏电阻 (MOV)、MOV芯片 (MOV Disk)
标准型 / 芯片 / 高浪涌冲击型 / T1防雷型芯片 / T2防雷型芯片 / 36个系列
压敏电阻 (MOV)、MOV芯片 (MOV Disk)
金属氧化物压敏电阻 Metal Oxide Varistor (MOV)是以氧化锌(ZnO)为主要成分的非线性电阻元件。其电阻对外加电压的变化敏感,在阈值电压以下,电阻非常高,流过的电流极小,相当于关闭的阀门,当电压超过阀值时,电阻急剧下降,流过的电流激增,相当于阀门打开,利用该特性,可以抑制电路中经常出现的异常过电压,保护电路免受过电压的损害。 金属化氧物压敏电阻 Metal Oxide Varistor(MOV)广泛应用于光伏、通信、防雷器、电源和插座等领域,限制电路中的瞬态过电压和吸收浪涌能量。 赛尔特(SETsafe | SETfuse)公司的金属化氧物压敏电阻 Metal Oxide Varistor (MOV)具有最大峰值电流:(0.75~70)kA;最大连续工作电压:(14~750)VAC;安规认证UL、cUL、TUV、CQC;符合RoHS、REACH要求;可以根据客户要求定制。

MOV - 标准型MOV、MOV芯片
径向插件型 / 24个系列
MOV - 标准型MOV、MOV芯片
金属氧化物压敏电阻 Metal Oxide Varistor (MOV)是以氧化锌(ZnO)为主要成分的非线性电阻元件。其电阻对外加电压的变化敏感,在阈值电压以下,电阻非常高,流过的电流极小,相当于关闭的阀门,当电压超过阀值时,电阻急剧下降,流过的电流激增,相当于阀门打开,利用该特性,可以抑制电路中经常出现的异常过电压,保护电路免受过电压的损害。 金属氧化物压敏电阻 Metal Oxide Varistor(MOV)广泛应用于光伏、通信、防雷器、电源和插座等领域,限制电路中的瞬态过电压和吸收浪涌能量。 赛尔特(SETsafe | SETfuse)公司的金属氧化物压敏电阻 Metal Oxide Varistor (MOV)具有最大峰值电流:(0.75~70)kA;最大连续工作电压:(14~750)VAC;安规认证UL、cUL、TUV、CQC;符合RoHS、REACH要求;可以根据客户要求定制。

MOV - 高浪涌冲击型MOV
径向插件型 / 4个系列
MOV - 高浪涌冲击型MOV
金属氧化物压敏电阻 Metal Oxide Varistor (MOV)是以氧化锌(ZnO)为主要成分的非线性电阻元件。其电阻对外加电压的变化敏感,在阈值电压以下,电阻非常高,流过的电流极小,相当于关闭的阀门,当电压超过阀值时,电阻急剧下降,流过的电流激增,相当于阀门打开,利用该特性,可以抑制电路中经常出现的异常过电压,保护电路免受过电压的损害。 金属氧化物压敏电阻 Metal Oxide Varistor(MOV)广泛应用于光伏、通信、防雷器、电源和插座等领域,限制电路中的瞬态过电压和吸收浪涌能量。 赛尔特(SETsafe | SETfuse)公司的金属氧化物压敏电阻 Metal Oxide Varistor(MOV)具有最大峰值电流:(0.75~70)kA;最大连续工作电压:(14~750)VAC;安规认证UL、cUL、TUV、CQC;符合RoHS、REACH要求;可以根据客户要求定制。 与标准型压敏电阻相比,高浪涌冲击型压敏电阻采用更高性能的材料,同尺寸产品通流能力提升30%左右,具有良好的性能和长期稳定的可靠性,可适用更高浪涌防护或者小型化的设计需求,节省空间。

MOV - T1防雷型MOV芯片
与电极片或引线焊接后安装 / 4个系列
MOV - T1防雷型MOV芯片
金属氧化物压敏电阻 Metal Oxide Varistor (MOV)是以氧化锌(ZnO)为主要成分的非线性电阻元件。其电阻对外加电压的变化敏感,在阈值电压以下,电阻非常高,流过的电流极小,相当于关闭的阀门,当电压超过阀值时,电阻急剧下降,流过的电流激增,相当于阀门打开,利用该特性,可以抑制电路中经常出现的异常过电压,保护电路免受过电压的损害。 金属氧化物压敏电阻 Metal Oxide Varistor(MOV)广泛应用于光伏、通信、防雷器、电源和插座等领域,限制电路中的瞬态过电压和吸收浪涌能量。 赛尔特(SETsafe | SETfuse)公司的金属氧化物压敏电阻 Metal Oxide Varistor (MOV)具有最大峰值电流:(0.75~70)kA;最大连续工作电压:(14~750)VAC;安规认证UL、cUL、TUV、CQC;符合RoHS、REACH要求;可以根据客户要求定制。 T1防雷型压敏电阻具有高通流容量,特别是对10/350μS冲击放电电流具有优异的耐受能力,同时具有良好的交直流特性,可满足建筑物、光伏及风电等应用场景的防雷需求。

MOV - T2防雷型MOV芯片
与电极片或引线焊接后安装 / 4个系列
MOV - T2防雷型MOV芯片
金属氧化物压敏电阻 Metal Oxide Varistor (MOV)是以氧化锌(ZnO)为主要成分的非线性电阻元件。其电阻对外加电压的变化敏感,在阈值电压以下,电阻非常高,流过的电流极小,相当于关闭的阀门,当电压超过阀值时,电阻急剧下降,流过的电流激增,相当于阀门打开,利用该特性,可以抑制电路中经常出现的异常过电压,保护电路免受过电压的损害。 金属氧化物压敏电阻 Metal Oxide Varistor(MOV)广泛应用于光伏、通信、防雷器、电源和插座等领域,限制电路中的瞬态过电压和吸收浪涌能量。 赛尔特(SETsafe | SETfuse)公司的金属氧化物压敏电阻 Metal Oxide Varistor (MOV)具有最大峰值电流:(20~80)kA;标称放电电流:(10~40)kA;最大连续工作电压:(130~750)VAC;安规认证UL、cUL;符合RoHS、REACH要求。
热保护型压敏电阻 (TFV, TFMOV)
环氧包封型 / 熔断合金型 / 机械脱扣型 / 18个系列
热保护型压敏电阻 (TFV, TFMOV)
热保护压敏电阻是具有热保护功能的压敏电阻(TFMOV,TFV)。该产品具有有压敏电阻(MOV)的所有特性,同时还带有热保护的功能。

TFV - 环氧包封型TFV
径向插件型 / 2个系列
TFV - 环氧包封型TFV
包封型热保护压敏电阻(TFV)是压敏电阻(MOV)与热保护脱离部件的组合。MOV存在老化特性,TFV能够在MOV劣化或失效时,通过热保护部件的动作将MOV从主回路中脱离。常用于电源,工业设备、通信设备等对可靠性和耐候性要求高的场所。

TFMOV - 熔断合金型TFMOV
径向插件型 / 12个系列
TFMOV - 熔断合金型TFMOV
热保护型压敏电阻(TFMOV)是压敏电阻(MOV)与热保护脱离部件的组合。MOV存在老化特性,TFMOV能够在MOV劣化或失效时,通过热保护部件的动作将MOV从主回路中脱离。常用于光伏逆变器,通信设备,机房电源等对可靠性和耐候性要求高的场所。

TFMOV - 机械脱扣型TFMOV
径向插件型 / 4个系列
TFMOV - 机械脱扣型TFMOV
热保护型压敏电阻(TFMOV)是压敏电阻与热保护脱离部件的组合。压敏电阻存在老化特性,热保护型压敏电阻能够在压敏电阻(MOV)劣化或失效时,通过热保护部件的动作将压敏电阻从主回路中脱离。常用于光伏逆变器,通信设备,机房电源等对可靠性和耐候性要求高的场所。
电涌保护器模组 (SPD-M)
径向插件型 / 10个系列
电涌保护器模组 (SPD-M)
电涌保护模组是一种板载防雷模块,集成热保护、过压保护、遥信等功能。单个模组可以满足共模、差模或全模模式的防护要求。集成化电涌保护模组,可以简化用户防雷模块的设计选型,适用于低压交流或直流供电设备电涌防护。电涌保护器模组具有占板空间小,集成度高,保护功能全等特点。
电涌保护器 (SPD)
导轨安装型 / 面板导线连接型 / 39个系列
电涌保护器 (SPD)
电涌保护器Surge Protection Device(SPD),也叫防雷器,是一种为各种电子设备、仪器仪表、通讯线路提供安全防护的电子装置。当电气回路或者通信线路中因为外界的干扰突然产生尖峰电流或者电压时,电涌保护器(SPD)能在极短的时间内导通分流,从而避免电(浪)涌对回路中其他设备的损害。 电涌保护器(SPD)广泛应用于电源线路、信号线路的过电压保护。对异常电压的吸收,雷击电(浪)涌的吸收等发挥着很大的作用。 赛尔特公司(SETsafe | SETfuse)的电涌保护器(SPD)主要由压敏电阻(MOV)、气体放电管(GDT)、可插拔模块、底座及内外部金属构件组成。标称放电电流:(20 ~ 30)kA;最大连续工作电压:(150 ~ 1000)VAC;最大连续工作直流电压:(180 ~ 1500)VDC ,安规认证:UL、cUL、TUV、CE、CQC、TEL;符合RoHS、REACH要求。

SPD - 低压电源系统用SPD
导轨安装型 / 25个系列
SPD - 低压电源系统用SPD
电涌保护器(SPD)根据UL 1449 第四版和 IEC/EN 61643-11的相关要求进行设计,是导轨安装的SPD,具有安全失效保护,失效指示和遥信触点等功能。电涌保护器具有良好的环境适应性,满足重要场所下的高可靠性要求。

SPD - 低压直流系统 (PV, ESS) 用SPD
导轨安装型 / 8个系列
SPD - 低压直流系统 (PV, ESS) 用SPD
导轨安装式电涌保护器(SPD)根据UL 1449 第四版和 IEC/EN 61643-31的相关要求进行设计,是导轨安装的SPD,具有安全失效保护,失效指示和遥信触点等功能。电涌保护器具有良好的环境适应性,满足重要场所下的高可靠性要求。

SPD - 户外照明用SPD
面板导线连接型 / 6个系列
SPD - 户外照明用SPD
由于LED路灯耐受浪涌的冲击能力较低,LED模块或驱动器在浪涌的冲击下会产生局部或者完全失效。为了确保LED路灯寿命和可靠性,避免不必要的维护,应采用周全的、有效的浪涌保护。赛尔特LED电涌保护器专门为户外照明设计。产品的抗电涌水平符合IEEE C62.41.2 位置类别 C 高暴露等级的要求 ,保护LED 路灯免受雷电浪涌的损坏 。SD10C系列内置热保护,能够在承受持续过电压或者内部压敏电阻劣化时安全失效。
过电流保护 (OCP) (71)
小型熔断器 (Miniature Fuses)
贴片型(SMD) / 插件型 / 管夹型 / 陶瓷、玻璃、塑料外壳型 / 25个系列

管状熔断体 (CFL)
轴向插件型 / 管夹型、陶瓷、玻璃外壳型 / 8个系列
管状熔断体 (CFL)
小型熔断器(Mini Fuses)是一种小型的过电流保护装置。它串联在电路中,一般要求电阻小(功耗小),当电路正常工作时,它相当于一根导线,能够长时间稳定地导通电路;当电路不稳定或外部干扰而发生电流波动时,它也应能承受一定范围的过载;只有当电路中出现明显的过载或短路时,小型熔断器(Mini Fuses)才会动作,通过切断电流来保护电路。
赛尔特公司(SETsafe | SETfuse)的小型熔断器(Mini Fuses)广泛应用于各种电子电器设备的过电流保护,其具有多种安装方式、结构紧凑、性能可靠稳定等特点。赛尔特公司可提供的小型熔断器(Mini Fuses)的技术参数:额定电流(0.1 ~ 40)A,额定电压(125 ~ 600)VAC、(24 ~ 600)VDC,安规认证包括cURus、VDE、PSE、CCC、CQC、KC、TUV,同时满足RoHS、REACH要求。

超小型熔断体 (SFL)
径向插件型 / 塑料外壳型 / 2个系列
超小型熔断体 (SFL)
小型熔断器(Mini Fuses)是一种小型的过电流保护装置。它串联在电路中,一般要求电阻小(功耗小),当电路正常工作时,它相当于一根导线,能够长时间稳定地导通电路;当电路不稳定或外部干扰而发生电流波动时,它也应能承受一定范围的过载;只有当电路中出现明显的过载或短路时,小型熔断器(Mini Fuses)才会动作,通过切断电流来保护电路。
赛尔特公司(SETsafe | SETfuse)的小型熔断器(Mini Fuses)广泛应用于各种电子电器设备的过电流保护,其具有多种安装方式、结构紧凑、性能可靠稳定等特点。赛尔特公司可提供的小型熔断器(Mini Fuses)的技术参数:额定电流(0.1 ~ 40)A,额定电压(125 ~ 600)VAC、(24 ~ 600)VDC,安规认证包括cURus、VDE、PSE、CCC、CQC、KC、TUV,同时满足RoHS、REACH要求。

贴片熔断体 (SMFL)
SMD型 / 陶瓷外壳 / 5个系列
贴片熔断体 (SMFL)
小型熔断器(Mini Fuses)是一种小型的过电流保护装置。它串联在电路中,一般要求电阻小(功耗小),当电路正常工作时,它相当于一根导线,能够长时间稳定地导通电路;当电路不稳定或外部干扰而发生电流波动时,它也应能承受一定范围的过载;只有当电路中出现明显的过载或短路时,小型熔断器(Mini Fuses)才会动作,通过切断电流来保护电路。
赛尔特公司(SETsafe | SETfuse)的小型熔断器(Mini Fuses)广泛应用于各种电子电器设备的过电流保护,其具有多种安装方式、结构紧凑、性能可靠稳定等特点。赛尔特公司可提供的小型熔断器(Mini Fuses)的技术参数:额定电流(0.1 ~ 40)A,额定电压(125 ~ 600)VAC、(24 ~ 600)VDC,安规认证包括cURus、VDE、PSE、CCC、CQC、KC、TUV,同时满足RoHS、REACH要求。

线绕熔断电阻器 (RXF)
轴向插件型 / 陶瓷体 / 2个系列
线绕熔断电阻器 (RXF)
线绕熔断电阻器(RXF)是将电阻丝绕在瓷基体上再经过绝缘封装处理而成的功率型电阻器。正常工作时起固定电阻器作用,当电路出现明显过载时可以在规定时间内断开,作为电路保护元件使用。
赛尔特公司(SETsafe | SETfuse)线绕熔断电阻器(RXF)体积小,性能优异,已取得UL、cUL、CQC、VDE认证,并满足RoHS、REACH环保要求。

热保护型熔断电阻器 (TRXF)
轴向、径向插件型 / 陶瓷体 / 5个系列
热保护型熔断电阻器 (TRXF)
热保护型熔断电阻器(TRXF)是一种同时具有过温,过流保护功能的功率型电阻器。该产品是将合金型温度保险丝(ATCO)内置于线绕熔断电阻器(RXF)之中,并形成串联连接。
赛尔特公司(SETsafe | SETfuse)热保护型熔断电阻器(TRXF)不仅具有与普通线绕熔断电阻器相同的小尺寸和大故障电流保护功能,还可有效解决普通线绕熔断电阻器在小故障电流下所产生异常持续高温的安全隐患。

热保护型水泥电阻器 (TPR)
径向插件型 / 陶瓷外壳 / 3个系列
热保护型水泥电阻器 (TPR)
热保护型水泥电阻器(TPR)是一种同时具有过温过流保护功能的功率型电阻器。该产品是将合金型温度保险丝(ATCO)与线绕熔断电阻器(RXF)串联连接后用硅树脂水泥封装在陶瓷壳内的功率型电阻器。
赛尔特公司(SETsafe | SETfuse)热保护型水泥电阻(TPR)不仅具有与普通水泥电阻器相同的尺寸和大故障电流保护功能,还可有效解决普通线绕熔断电阻器在小故障电流下所产生异常持续高温的安全隐患。
低压熔断器 (LV Fuses)
38个系列
低压熔断器 (LV Fuses)
低压熔断器 (LV Fuses)

LV Fuses - 储能系统(ESS)用LV Fuses
Un: 250 / 690 VAC // 250 / 500 / 750 / 800 / 1000 / 1500 VDC // In: 32 ~ 3000 A // I1: 10 / 50 / 100 / 150 / 250 kA //22个系列
LV Fuses - 储能系统(ESS)用LV Fuses
低压熔断器(LV Fuses)产品通常含有壳体、可熔体、灭弧砂和端电极等组成,一些内部还设置了锡合金的低共熔效应点、辅助灭弧剂或石英砂固化以保证低压熔断器符合熔断特性和分断能力要求。 赛尔特公司的低压熔断器(LV Fuses)产品主要应用于储能系统、电动汽车及充电桩、风力光伏发电系统及各类电力变换设备如变流器、逆变器、整流器,UPS不间断电源、及工业电源的短路或过电流保护;也有些用于SPD等防雷器配合使用的防雷熔断器。 赛尔特公司低压熔断器(LV Fuses)产品参数范围: 直流产品:电压(100 – 2000)VDC,额定电流(1 – 3000)A; 交流产品:电压(400-690)VAC,最大额定电流达1600 A。

LV Fuses - 电动汽车(EV)充电设施用LV Fuses
Un: 690 VAC // 250 / 500 / 750 / 800 / 1000 VDC // In: 0.5 ~ 800 A // I1: 50 / 100 kA // 11个系列
LV Fuses - 电动汽车(EV)充电设施用LV Fuses
LV Fuses-EV充电设施用,Un: 690 VAC // 500 / 750 / 800 / 1000 VDC // In: 0.5 ~ 450 A // I1: 50 / 100 kA。

LV Fuses - 光伏(PV)系统用LV Fuses
Un: 1500 VDC / In: 10 ~ 50 A / I1: 50 kA / 1个系列
LV Fuses - 光伏(PV)系统用LV Fuses
LV Fuses-光伏系统用,Un: 1500 VDC // In: 10 ~ 50 A // I1: 50 kA。

LV Fuses - 防雷器用LV Fuses
Un: 400 / 690 VAC // In: 25 kA // I1: 50 kA // 2个系列
LV Fuses - 防雷器用LV Fuses
LV Fuses-防雷器用,Un: 400 / 690 VAC // In: 25 kA // I1: 50 kA。

低压熔断器底座
Un: 400 / 690 VAC // 1500 VDC // In: 50 A // I1: 50 kA // 2个系列
低压熔断器底座
Un: 400 / 690 VAC // 1500 VDC // In: 50 A // I1: 50 kA。
熔断器应用 (Fuses Application)
9+8个系列
主动保护 (AP) (19)
热熔切断器 (HCO)
三端保险丝 / 贴片型(SMD) / 5个系列
热熔切断器 (HCO)
热熔切断器Heat CutOff(HCO)是一种可在过电流、过充电时触发动作的保险丝(又称三端保险丝)。热熔切断器(HCO)产品本体由可熔合金、发热元件、助熔断剂、外壳、环氧树脂构成。 热熔切断器(HCO)主要应用在锂电池充、放电电路的二次保护方案中,即在一次保护电路的基础上增加一道二次保护元件热熔切断器(HCO)。在锂电池的充、放电过程中,在发生过电流、过充电的情况下触发,减少锂电池发生起火或爆炸风险。当电路电流过大时,可熔合金自身发热熔断,被动切断保护电路;当电路过充电,在一次保护电路IC或主电路FET失效时,二次保护IC触发和热熔切断器(HCO)连接的FET,热熔切断器(HCO)接通发热电阻(Heater)发热,将可熔合金熔断,实现主动切断充、放电电路,同时切断发热电阻(Heater)电路。从而达到过电流和过充电的双重保护。 赛尔特(SETsafe | SETfuse)的热熔切断器(HCO)产品主要特点是:额定电流(30、45、60、75)A、额定电压100 VDC、动作电压范围(4 ~ 92)VDC,已通过UL、cUL、TUV认证,符合RoHS & REACH。
受控熔断器 (iTCO)
可控制熔断功能的保险丝 / 5个系列
受控熔断器 (iTCO)
受控熔断器(iTCO)主要由感温体、助熔断剂、电极片和发热元件构成,封装在塑料或陶瓷外壳内。两电极片连接有包裹着助熔断剂的感温体作为电气连接,具有被动感温熔断功能。同时内置带自主过热保护的加热器,为感温体加热,提供熔断热量,实现切断电气连接点。
赛尔特公司 (SETsafe | SETfuse) 的受控熔断器可根据需求增加辅助遥信,提供开关信号。涵盖额定电流(20 ~ 200)A、额定电压(100 ~ 400)VDC、额定动作温度(102 ~ 150) °C,符合RoHS & REACH要求。
烟火切断器 (PCO)
2个系列
机械切断器 (MCO)
2个系列
热保护型熔断电阻器 (TRXF) - 主动控制
过温度、过电流二合一功能 / 径向插件型 / 2个系列
热保护型熔断电阻器 (TRXF) - 主动控制
赛尔特公司的热保护型熔断电阻器(TRXF)是一款将温度保险丝(ATCO)内置于线绕熔断电阻器(RXF)之中,并与线绕熔断电阻器形成特殊连接的主动控制型的过温过流保护元件;它是一款既能利用温度保险丝的过温熔断特性实现过温保护功能,又能利用熔断电阻过流发热熔断温度保险丝的特性实现过流保护功能的独特的电路保护元件。
热保护型水泥电阻器 (TPR) - 主动控制
过温度、过电流二合一功能 / 径向、轴向插件型 / 3个系列
热保护型水泥电阻器 (TPR) - 主动控制
赛尔特公司的热保护型水泥电阻器(TPR)是一种同时具有过温过流保护功能的功率型电阻器。该产品是将合金型温度保险丝(ATCO)与线绕熔断电阻器(RXF)用硅树脂水泥封装在陶瓷壳内的功率型电阻器。它是一款既能利用温度保险丝的过温熔断特性实现过温保护功能,又能利用熔断电阻过流发热熔断温度保险丝的特性实现过流保护功能的独特的电路保护元件。
- SPD - 低压电源系统用SPD
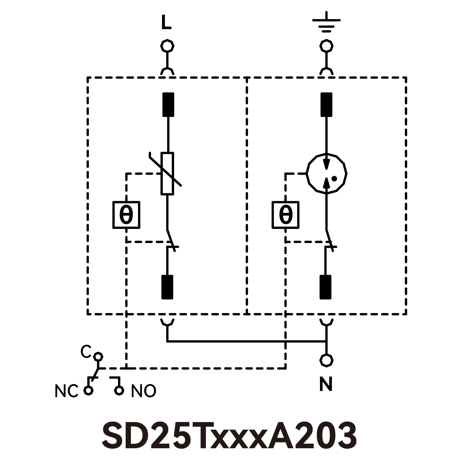
- SD25TxxxA203 系列, T1+T2×
2024年-2026年版本:
采购此版本产品,以此份数据参考。如已经交易产品是2021年-2023年版本,但想切换到2024年-2026年版本,请咨询相关销售人员。
SPD SD25TxxxA203_CHN_SETsafe & SETfuse.pdf
2021年-2023年版本:
采购此版本产品,以此份数据参考。
SPD SD25TxxxA203_CHN_SETsafe & SETfuse.pdf
PDF文件包含:技术参数、认证信息、包装、结构图、术语、型号说明、安装、使用环境条件、注意事项等信息。
点击链接跳转到样品需求页面:
https://www.setsafe.cn/Support/Sample-Request.html
或 邮件:sales@SETfuse.com
或 联系本页面 “客服”相关人员 。
或 联系赛尔特销售人员。
厦门赛尔特电子股份有限公司
Xiamen SET Electronics Co., Ltd.
● 用于交流单相系统
● Ⅰ类和Ⅱ类电涌保护器(SPD)
● 过温、过流保护,高可靠性
● 依据 IEC/EN 61643-11 设计制造
● 满足RoHS & REACH要求
导轨安装(Din-rail)
螺丝锁紧(Screw)
可下载产品结构3D图,帮助你提升设计效率,创造更多伟大的产品。
全球化认证,全方位放心。
认证机构官方验证渠道 进一步了解。
本PDF文档为证书的电子版摘要,与原件具有同等法律效力。如需获取完整证书,请联系赛尔特(SETsafe |SETfuse)销售人员 或 邮件 sales@SETfuse.com。
UL(美国):
标准:UL 1449
证书号:E322662
UL_SPD_SD25T_SETsafe & SETfuse.pdf
cUL(加拿大):
标准:CSA C22.2 No. 269
证书号:E322662
cUL_SPD_SD25T_SETsafe & SETfuse.pdf
TUV(德国):
标准:EN 61643-11
对于产品质量,我们的目标是行业领先!我们通过以下流程确保产品质量达到预期目标。
质量方针
设计
高可靠性的设计、严苛的验证与批量试产确保能量产的质量水平。
供应商选择与来料控制
合格的原材料、获得质量管理体系(ISO9001、IATF16949)认证的制造商。
来料质量检查 IQC(尺寸、功能、外观抽样检测、RoHS、REACH 测试或供应商检测报告确认)。
生产过程
生产过程在线检查和测试(功能100%测试)。
过程质量控制 IPQC(尺寸、功能、外观抽样检测)。
成品与可靠性
成品质量控制FQC(尺寸、功能、外观、RoHS、REACH抽样检测)。
可靠性测试(抽样测试)。
出货
出货质量控制 OQC(包装、标签、数量检验)。
客户特殊要求100%确认。
机构与体系
机构安规认证年度、季度监督审核。
质量管理体系(德国TUV认证,颁发证书并年度监督审核)。
SETsafe
导轨安装电涌保护器 (DIN-SPD)
赛尔特的导轨安装类电涌保护器(SPD)是根据UL 1449 第四版和 IEC/EN 61643-11的相关要求进行设计、导轨安装,具有安全失效保护,失效指示和遥信触点等功能。具有良好的环境适应性,满足重要场所下的高可靠性要求。

SD25TxxxA203 系列











配件(4)












































